ログインIDもしくはパスワードが正しくありません。
登録は完了していません。会員登録メールをご確認ください。
※会員登録時に入力したメールアドレスです。
ご希望のカタログやCAD・BIMデータをダウンロードいただけます。
※カタログやCAD・BIMデータをダウンロードするには会員登録が必要です。
新規登録
ログイン
サーフィスウォール
オープンシャットウォール
アクトウォール
もっと詳しい条件
クリア
検索
チェックしたものをダウンロード
18 件を表示
サーフィス(SFW-M) 底目地 スタッド式 PV・PW(MW巾木仕様)
PDF
DXF
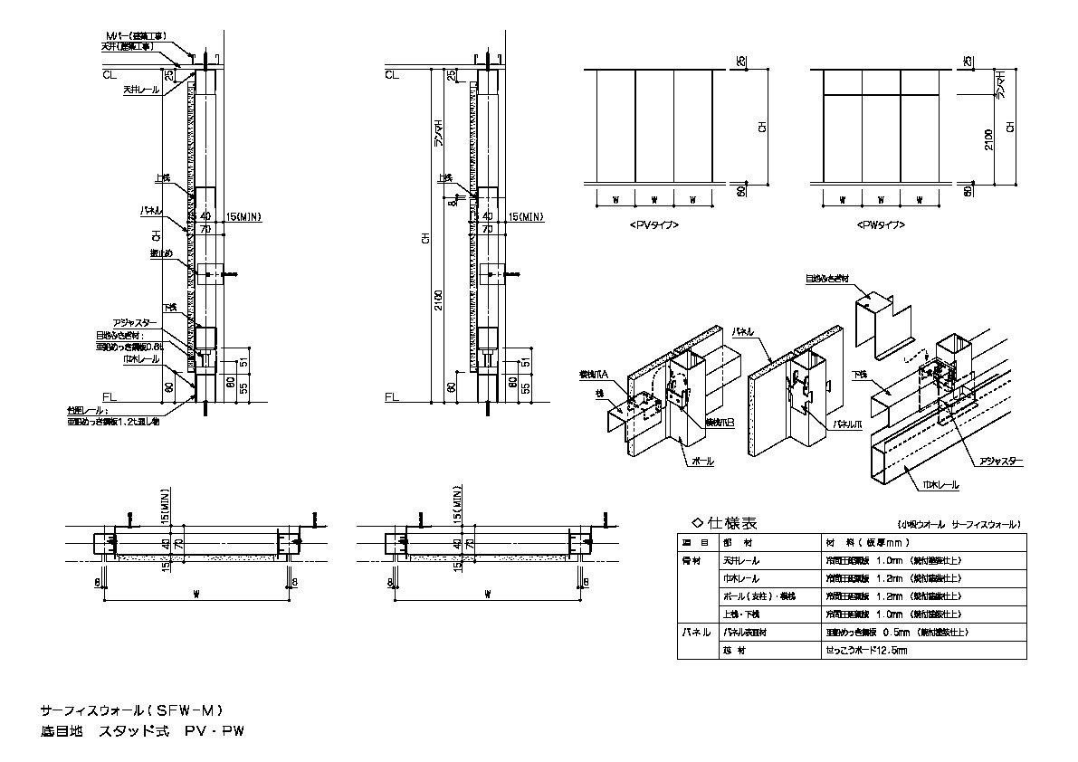
サーフィス(SFW-M) 底目地 スタッド式 PV・PW
サーフィス(SFW-M) 底目地 スタッド式 天井納まり種類
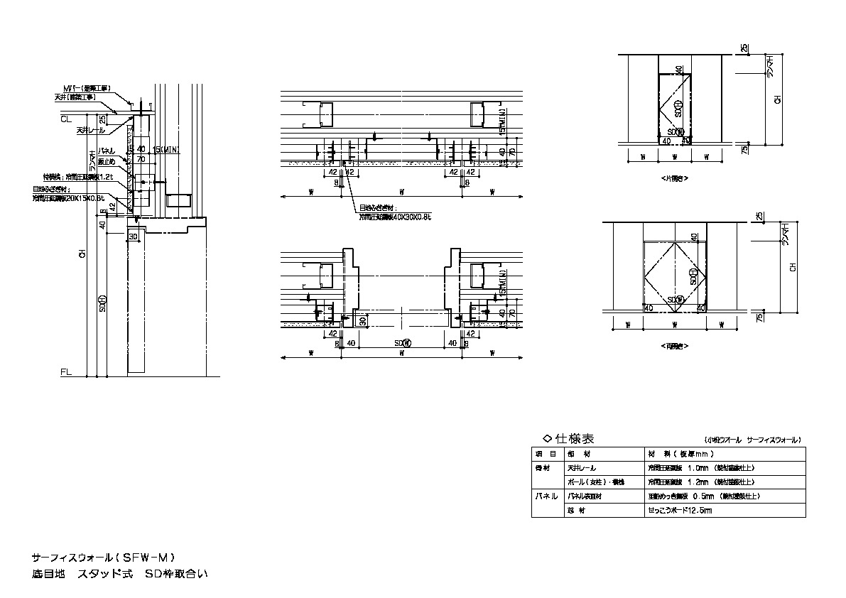
サーフィス(SFW-M) 底目地 スタッド式 SD枠取合い
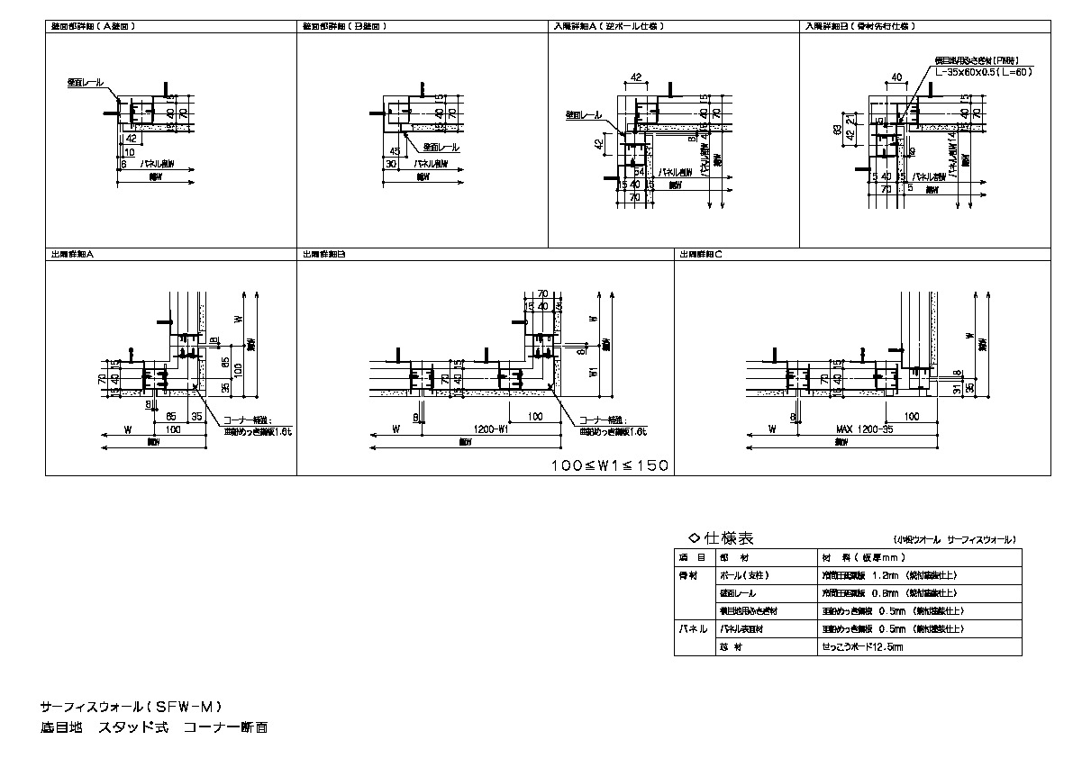
サーフィス(SFW-M) 底目地 スタッド式 コーナー断面
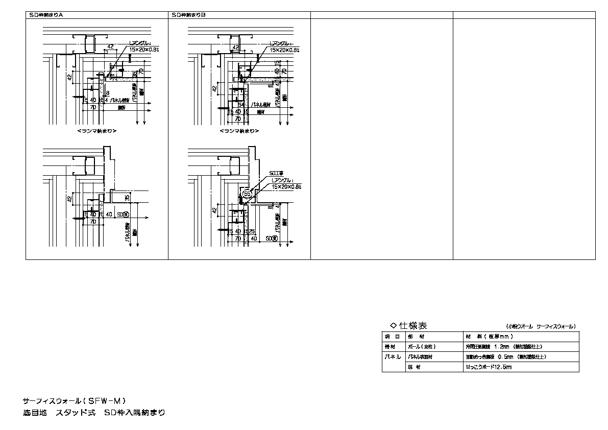
サーフィス(SFW-M) 底目地 スタッド式 SD枠入隅納まり
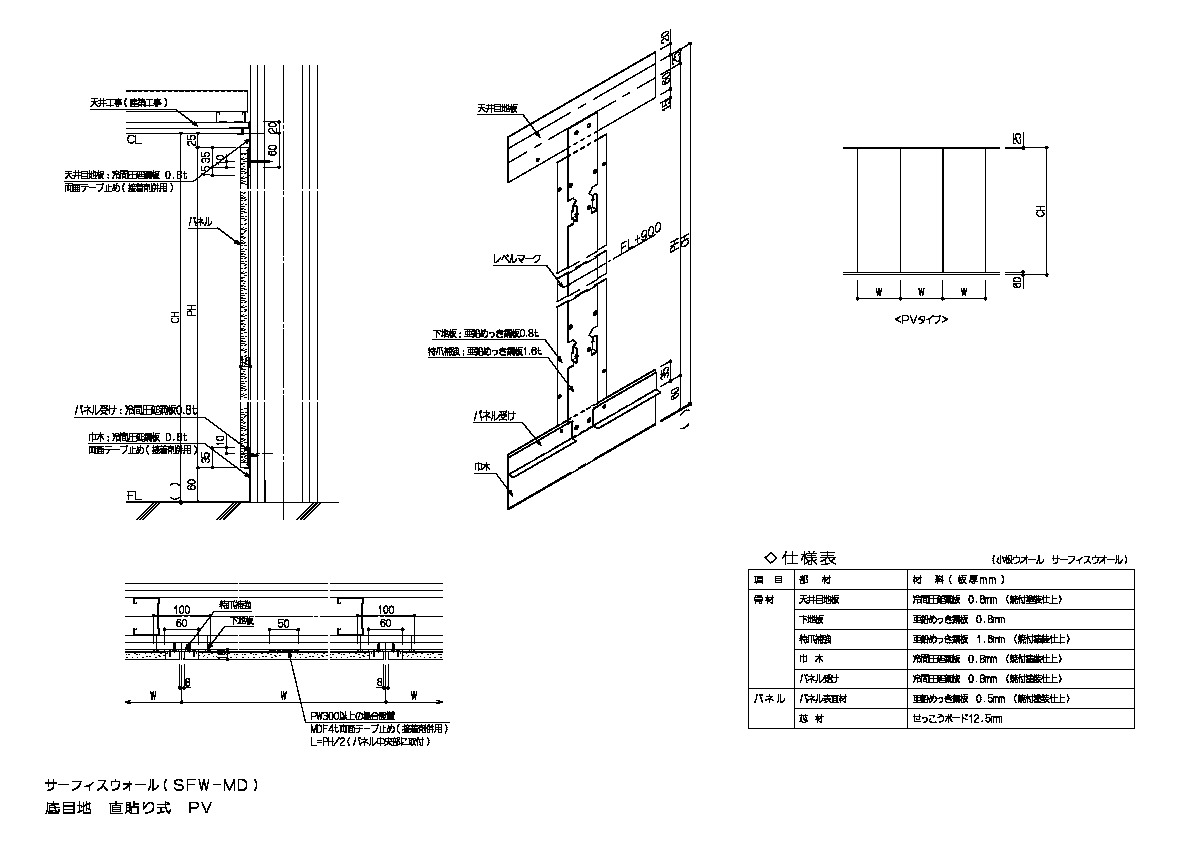
サーフィス(SFW-MD) 底目地 直貼り式 PV
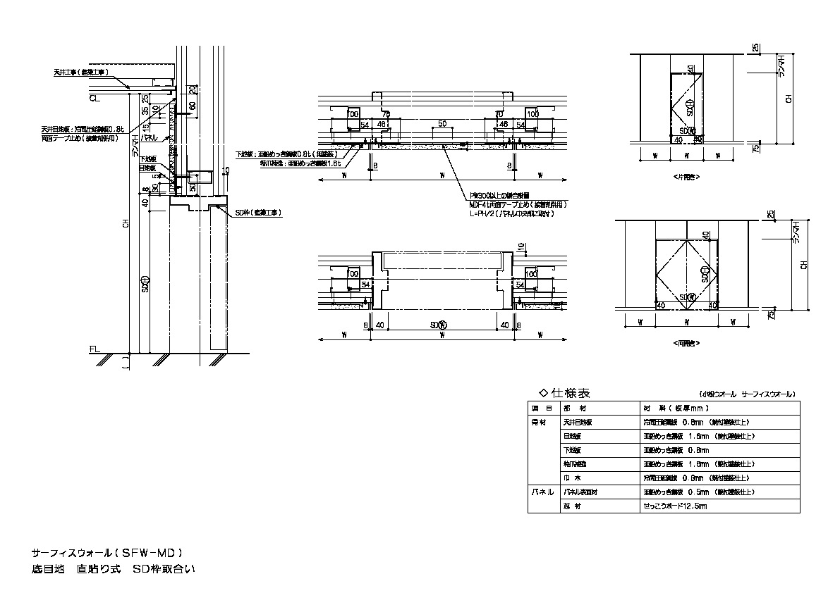
サーフィス(SFW-MD) 底目地 直貼り式 SD枠取合い
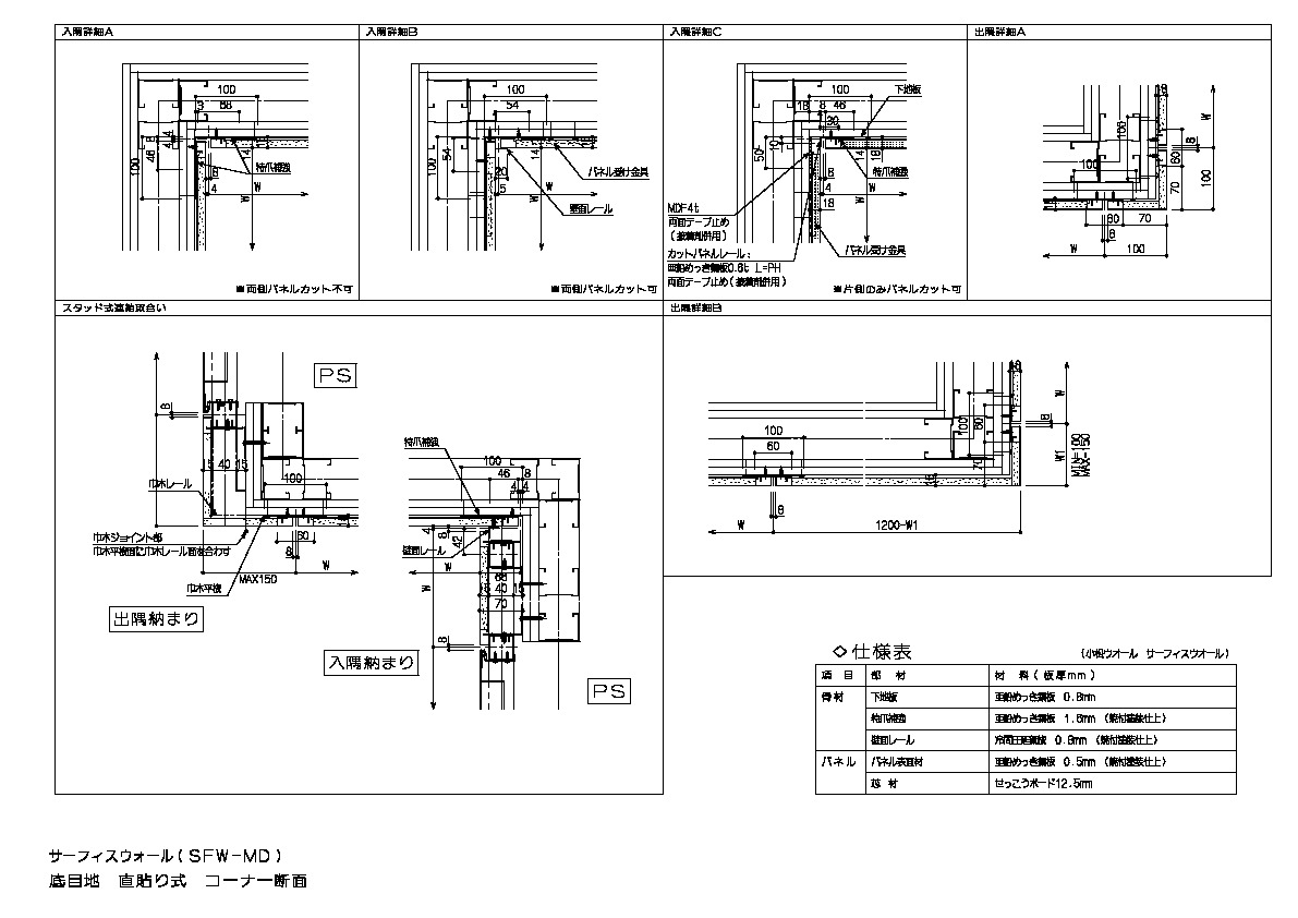
サーフィス(SFW-MD) 底目地 直貼り式 コーナー断面
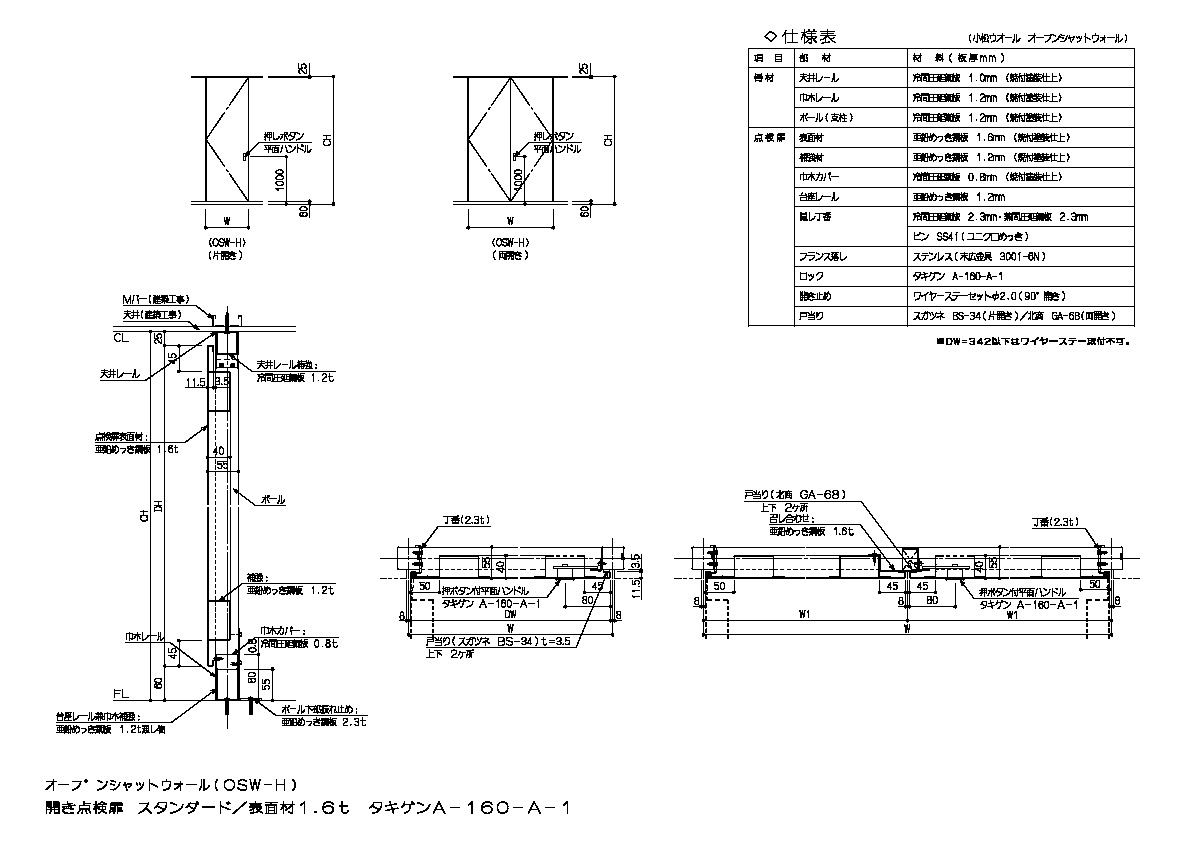
オープンシャット(OSW-H)開き点検扉 スタンダード タキゲンA-160-A-1
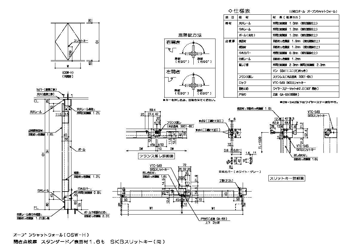
オープンシャット(OSW-H)開き点検扉 スタンダード SKBスリットキー両開き
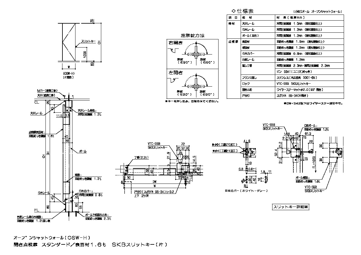
オープンシャット(OSW-H)開き点検扉 スタンダード SKBスリットキー片開き
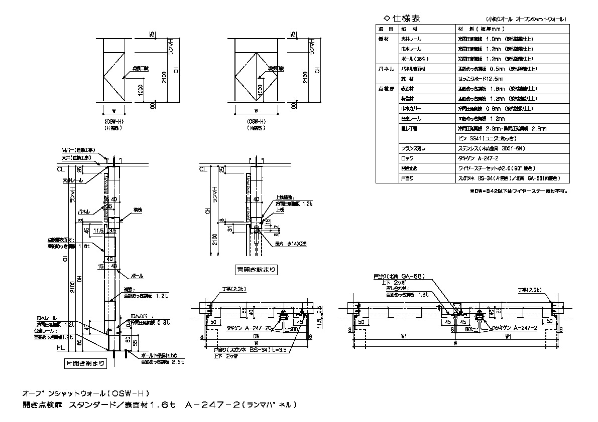
オープンシャット(OSW-H)開き点検扉 スタンダード タキゲンA-247-2 (ランマパネル)
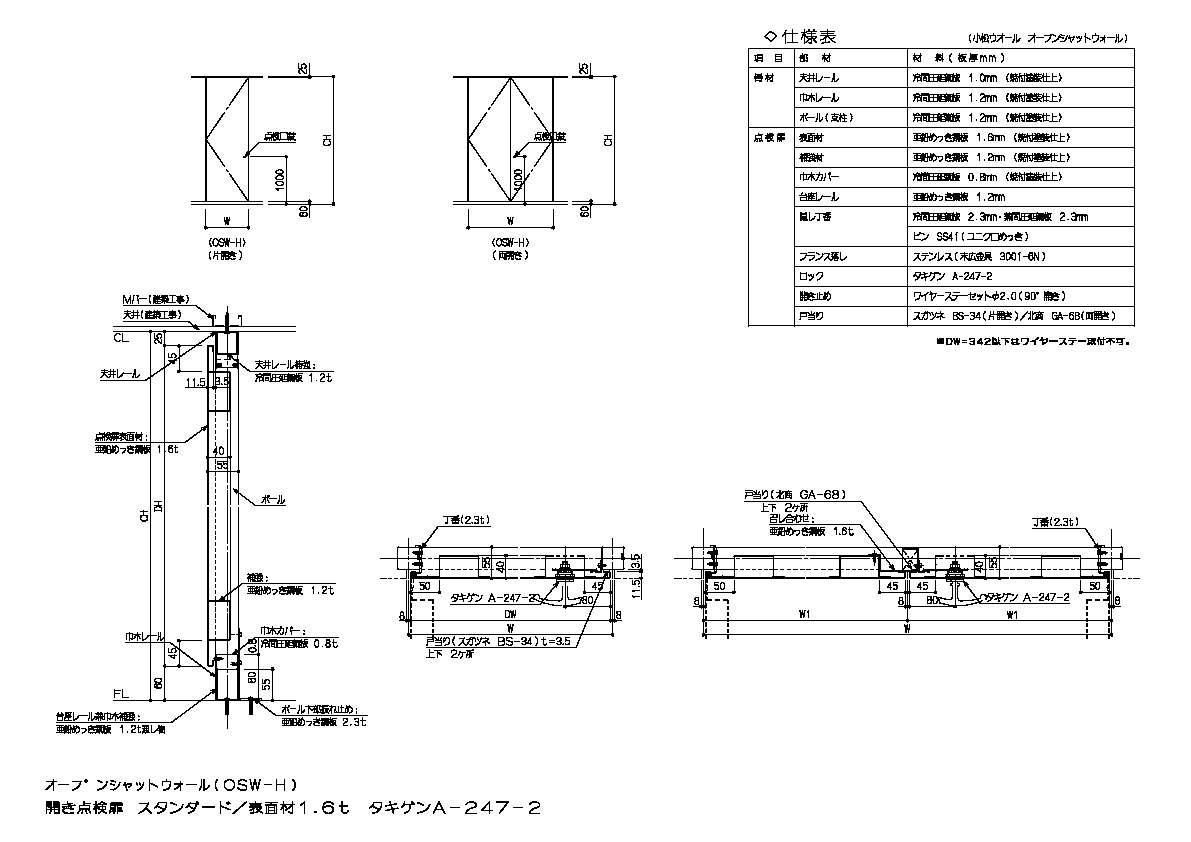
オープンシャット(OSW-H)開き点検扉 スタンダード タキゲンA-247-2
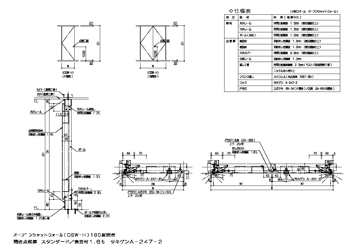
オープンシャット(OSW-H)開き点検扉 スタンダード タキゲンA-247-2 (180度開き)
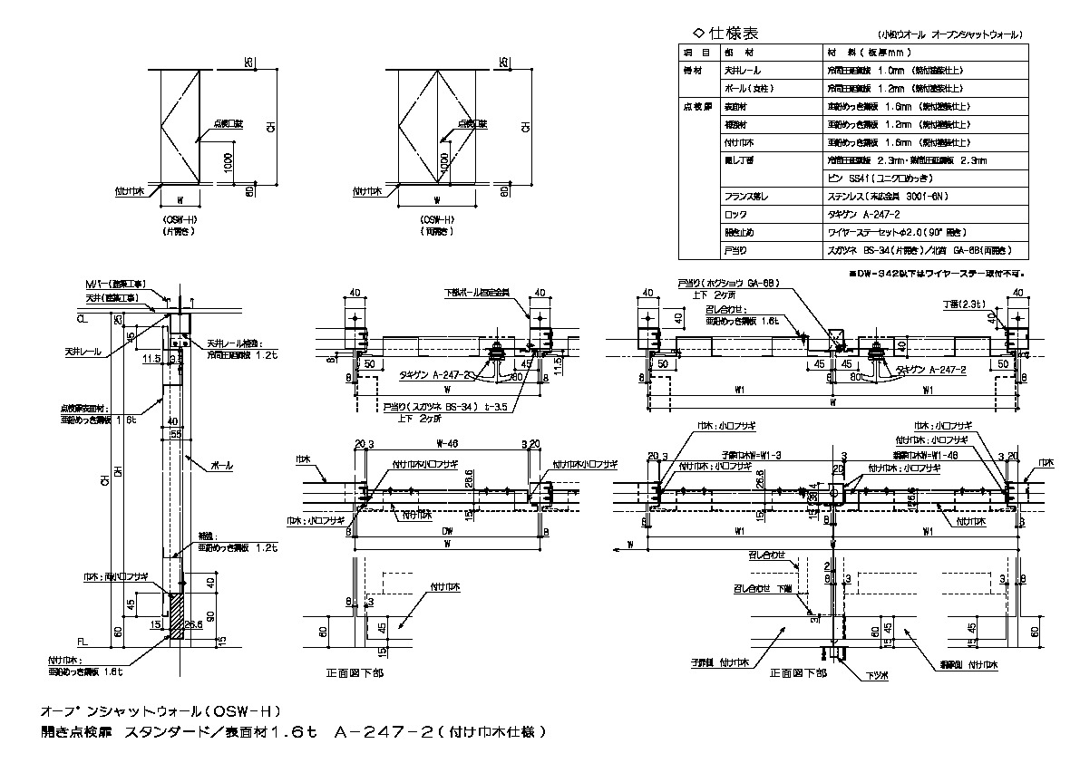
オープンシャット(OSW-H)開き点検扉 スタンダード タキゲンA-247-2 (付け巾木仕様)
オープンシャット(OSW-H)開き点検扉 スタンダード コーナー断面
アクトウォール Revit
RFA
お探しのCAD・BIMデータが見つからない場合、お手数ですがこちらへお問い合わせください。
本サイトでは利便性の向上を目的にクッキーを使用しています。 クッキーの使用に同意をいただける場合は「同意」ボタンをクリックしてください。 クッキーの設定はお客様のブラウザでいつでも変更可能です。このサイトについて